开云手机在线登录入口



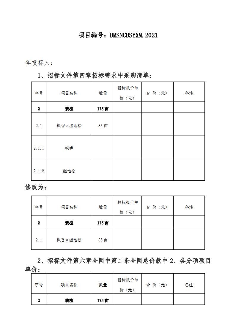
安徽省农垦集团白米山农场有限公司百树园项目(二期)补遗-1

安徽省农垦集团白米山农场有限公司百树园项目(二期)补遗-1

发布日期:2021-10-21 浏览次数:8683


关注开云手机在线登录入口官方微信平台

二维码
安徽农垦集团 安徽农垦集团 安徽农垦集团 安徽农垦集团 安徽农垦集团